Frohe Weihnachten & einen guten Rutsch! 🎄🥂 Vom 19.12.25 bis 06.01.26 haben wir Betriebsurlaub. Letzter Versand: 18.12.25 | Erster Versand: 07.01.26 📦

Einzelartikel:

Einzelartikel

4,75 €*

inkl. MwSt | zzgl. Versandkosten

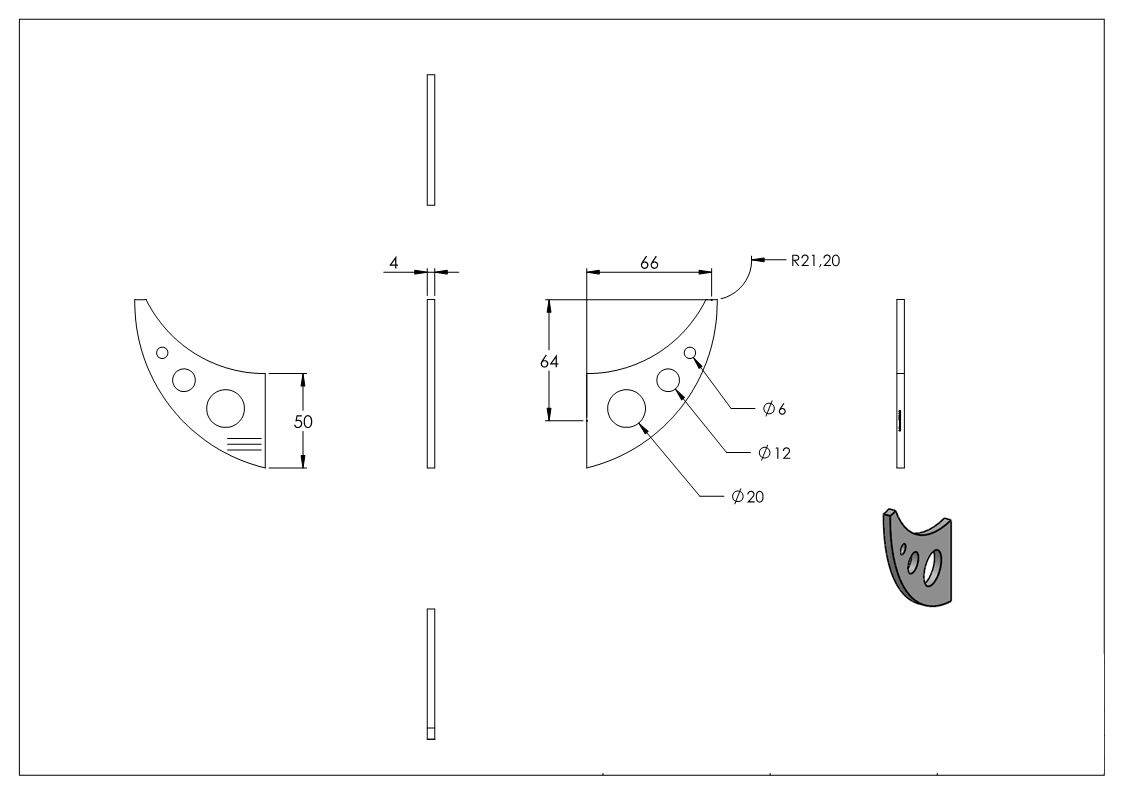
Handlaufschwert, 4mm stark, beidseitig geschliffen Korn 240, V2A

Gewicht in kg 0.082
Speditionsversand Nein
Überlängen Versand Nein

88.1154133.240.pdf pdf Herunterladen
88.1154133.240.dxf dxf Herunterladen
88.1154133.240.dwg dwg Herunterladen
88.1154133.240.STEP step Herunterladen

Form: zum Anschweißen
Versand Gurtmasspflichtig: Nein
Wandabstand Mitte-Handlauf: 66 mm
Werkstoff: V2A (1.4301)
Ø Für Rohr | Ø Außendurchmesser | Ø Anschluss: Anschweißen

Einzelartikel:

Einzelartikel

4,75 €*

inkl. MwSt | zzgl. Versandkosten

119 Auf Lager

Sofort verfügbar, Lieferzeit: Lieferzeit 1-2 Werktage

Kundenservice