FeNau  Shop Persönliche Kundenbetreuung Bis 13 Uhr bestellen -  Expressversand möglich Sehr gut bewertet !
FeNau  Shop Persönliche Kundenbetreuung Bis 13 Uhr bestellen -  Expressversand möglich Sehr gut bewertet !
Zur Startseite gehen
Ihr Konto
Merkzettel
Vergleichen
0,00 €*
Rohrverbinder
Edelstahlkomponenten
Schmiedeeisen
Gitterroststufen
Gitterroste
Marine | Bootszubehör
Schiebetorbeschläge
Neuheiten
Leuchtreklame
Verschlussstopfen und Schutzkappen
Zur Kategorie Rohrverbinder
Rohrverbinder Temperguss | T-Stücke
Rohrverbinder Temperguss | Eckstücke
Rohrverbinder Temperguss | Kreuzstücke
Rohrverbinder Temperguss | Wandhalterungen / Fußplatten
Rohrverbinder Temperguss | Handläufe
Rohrverbinder Temperguss | Aufklappbare Verbinder
Rohrverbinder Temperguss | Variabler Winkel
Rohrverbinder Temperguss | Befestigungsringe / Flansch
Rohrverbinder Temperguss | Gelenkstücke
Rohrverbinder Temperguss | Verlängerungsstücke
Rohrverbinder Temperguss | Verbindungsstücke
Rohrverbinder Temperguss | Wechselnder Durchmesser
Rohrverbinder Temperguss | Zubehör
Zur Kategorie Edelstahlkomponenten
Plattenhalter
Glas- und Plattenhalter
Glasklemmen
Glasgeländer
Glaspunkthalter
Edelstahlgeländer
Abdeckrosetten | Pfostenabdeckung
Ankerplatten
Ausgleichsstücke
Geländerpfosten | Pfostenbefestigung
Handlaufhalter
Handlaufstützen
Anschlussplatte
Trägerstifte für Handlaufhalter
Trägerbügel
LED Edelstahl Handlauf
Querstabhalter
Rohrstopfen
Pfostenkappen
Klöpperböden Edelstahl
Ronden
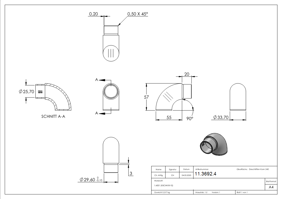
Rohrbögen
Steckverbindungen
Zierteile
Wandanker | Bodenanker
Klemmprofil
Glasvordach
Kugeln | Kegel | Würfel
Edelstahlrohre | Stangenmaterial
Nutrohre
Steckfittinge / Endkappen Nutrohre
Haus | Garten
Torbau | Türschlösser | Türdrücker
Edelstahlseile | Drahtseilklemmen | Zubehör
Marine | Bootsbedarf
Zubehör | Schrauben | Kleber
Messebau
Black Lane - Pulverbeschichtete Edelstahl Teile
Glasschiebetür
BRENK-fix® Grundhalter
Zur Kategorie Schmiedeeisen
Kappen
Ankerplatten
Anschweißbänder
Anschweißlaschen
Barockprogramm
Buchstaben
Einschlagstopfen
Klöpperböden Stahl Roh
Handlaufhalter + Zubehör
Hausnummern
Kugeln
Kunststoffhandläufe
Ringe | Kreuze
Ronden
Schlösser | Türgriffe | weiteres Zubehör
Stangenmaterial
Rohrbogen
Torbänder
Zaunspitzen
Zaunstäbe
Zierstäbe
Schmiedelack und Farben
Zur Kategorie Gitterroststufen
Gitterroststufen
Gitterroststufe Rutschhemmung r10
Schweißpressroststufen
Blechroststufen
Gitterroststufen Zubehör
Gitterroststufen Treppenstufen
Treppenbausatz
Gitterrostauflagen
Zur Kategorie Gitterroste
Lichtschachtrost Baunormrost
Gitterrostbefestigung
Gitterrost Rinnenrost befahrbar
Industrie-Gitterroste
Schweißpress-Gitterroste
Sicherheitsantrittskante
Zargen / Rahmen
Bootsstegroste
Gitterrost Fachbodenmodulle
Gitterrost nach Maß
Zur Kategorie Marine | Bootszubehör
Karabinerhaken, Schäkel und Wirbel
Spannkomponenten
Klemmen
Terminals
Relingkomponenten
Griffe
Gurtzubehör
Haken
Gelenke
Platten
Scharniere
Ringe
Bolzen
Sonstiges
Ösen
Schraubenzubehör
Klampe
Sicherungen
Zur Kategorie Schiebetorbeschläge
Schiebtorbeschlag 0 | Torgewicht je Torflügel bis 90 kg
Schiebtorbeschlag 1 | Torgewicht je Torflügel bis 200 kg
Schiebtorbeschlag 2 | Torgewicht je Torflügel bis 400 kg
Schiebtorbeschlag 3 | Torgewicht je Torflügel bis 600 kg
Schiebtorbeschlag 4 | Torgewicht je Torflügel bis 1200 kg
Schiebtorbeschlag 5 | Torgewicht je Torflügel bis 2000 kg
Komplettsortiment
Alle Größen passend 1 bis 5
Gussrollen für Schiebetore​
Zur Kategorie Verschlussstopfen und Schutzkappen
Lamellenstopfen
Kragenstopfen
Abschlusskappen
Weich-Kappen
Zaunpfahlkappen
Justierschrauben und Maschinenfüße
Zeige alle Kategorien Edelstahlgeländer Zurück
    Edelstahlgeländer anzeigen
    Abdeckrosetten | Pfostenabdeckung Ankerplatten Ausgleichsstücke Geländerpfosten | Pfostenbefestigung Handlaufhalter Handlaufstützen Anschlussplatte Trägerstifte für Handlaufhalter Trägerbügel LED Edelstahl Handlauf Querstabhalter Rohrstopfen Pfostenkappen Klöpperböden Edelstahl Ronden Rohrbögen Steckverbindungen Zierteile Wandanker | Bodenanker Klemmprofil

Kundenservice

  1. Home
  2. Edelstahlkomponenten
  3. Edelstahlgeländer
Rohrverbinder
Rohrverbinder Temperguss | T-Stücke
Rohrverbinder Temperguss | Eckstücke
Rohrverbinder Temperguss | Kreuzstücke
Rohrverbinder Temperguss | Wandhalterungen / Fußplatten
Rohrverbinder Temperguss | Handläufe
Rohrverbinder Temperguss | Aufklappbare Verbinder
Rohrverbinder Temperguss | Variabler Winkel
Rohrverbinder Temperguss | Befestigungsringe / Flansch
Rohrverbinder Temperguss | Gelenkstücke
Rohrverbinder Temperguss | Verlängerungsstücke
Rohrverbinder Temperguss | Verbindungsstücke
Rohrverbinder Temperguss | Wechselnder Durchmesser
Rohrverbinder Temperguss | Zubehör
Edelstahlkomponenten
Plattenhalter
Glas- und Plattenhalter
Glasklemmen
Glasgeländer
Glaspunkthalter
Edelstahlgeländer
Abdeckrosetten | Pfostenabdeckung
Ankerplatten
Ausgleichsstücke
Geländerpfosten | Pfostenbefestigung
Handlaufhalter
Handlaufstützen
Anschlussplatte
Trägerstifte für Handlaufhalter
Trägerbügel
LED Edelstahl Handlauf
Querstabhalter
Rohrstopfen
Pfostenkappen
Klöpperböden Edelstahl
Ronden
Rohrbögen
Steckverbindungen
Zierteile
Wandanker | Bodenanker
Klemmprofil
Glasvordach
Kugeln | Kegel | Würfel
Edelstahlrohre | Stangenmaterial
Nutrohre
Steckfittinge / Endkappen Nutrohre
Haus | Garten
Torbau | Türschlösser | Türdrücker
Edelstahlseile | Drahtseilklemmen | Zubehör
Marine | Bootsbedarf
Zubehör | Schrauben | Kleber
Messebau
Black Lane - Pulverbeschichtete Edelstahl Teile
Glasschiebetür
BRENK-fix® Grundhalter
Schmiedeeisen
Kappen
Ankerplatten
Anschweißbänder
Anschweißlaschen
Barockprogramm
Buchstaben
Einschlagstopfen
Klöpperböden Stahl Roh
Handlaufhalter + Zubehör
Hausnummern
Kugeln
Kunststoffhandläufe
Ringe | Kreuze
Ronden
Schlösser | Türgriffe | weiteres Zubehör
Stangenmaterial
Rohrbogen
Torbänder
Zaunspitzen
Zaunstäbe
Zierstäbe
Schmiedelack und Farben
Gitterroststufen
Gitterroststufen
Gitterroststufe Rutschhemmung r10
Schweißpressroststufen
Blechroststufen
Gitterroststufen Zubehör
Gitterroststufen Treppenstufen
Treppenbausatz
Gitterrostauflagen
Gitterroste
Lichtschachtrost Baunormrost
Gitterrostbefestigung
Gitterrost Rinnenrost befahrbar
Industrie-Gitterroste
Schweißpress-Gitterroste
Sicherheitsantrittskante
Zargen / Rahmen
Bootsstegroste
Gitterrost Fachbodenmodulle
Gitterrost nach Maß
Marine | Bootszubehör
Karabinerhaken, Schäkel und Wirbel
Spannkomponenten
Klemmen
Terminals
Relingkomponenten
Griffe
Gurtzubehör
Haken
Gelenke
Platten
Scharniere
Ringe
Bolzen
Sonstiges
Ösen
Schraubenzubehör
Klampe
Sicherungen
Schiebetorbeschläge
Schiebtorbeschlag 0 | Torgewicht je Torflügel bis 90 kg
Schiebtorbeschlag 1 | Torgewicht je Torflügel bis 200 kg
Schiebtorbeschlag 2 | Torgewicht je Torflügel bis 400 kg
Schiebtorbeschlag 3 | Torgewicht je Torflügel bis 600 kg
Schiebtorbeschlag 4 | Torgewicht je Torflügel bis 1200 kg
Schiebtorbeschlag 5 | Torgewicht je Torflügel bis 2000 kg
Komplettsortiment
Alle Größen passend 1 bis 5
Gussrollen für Schiebetore​
Neuheiten
Leuchtreklame
Verschlussstopfen und Schutzkappen
Lamellenstopfen
Kragenstopfen
Abschlusskappen
Weich-Kappen
Zaunpfahlkappen
Justierschrauben und Maschinenfüße

Edelstahlgeländer - Edelstahlgeländer Zubehör

Abdeckrosetten | Pfostenabdeckung
Ankerplatten
Ausgleichsstücke
Geländerpfosten | Pfostenbefestigung
Handlaufhalter
Handlaufstützen
Anschlussplatte
Trägerstifte für Handlaufhalter
Trägerbügel
LED Edelstahl Handlauf
Querstabhalter
Rohrstopfen
Pfostenkappen
Klöpperböden Edelstahl
Ronden
Rohrbögen
Steckverbindungen
Zierteile
Wandanker | Bodenanker
Klemmprofil

Bauteile für Edelstahlgeländer

1. Einführung in Geländer aus Edelstahl: Was sind die verschiedenen Arten und wie können sie eingesetzt werden?

Die Auswahl an Bauteilen für Edelstahlgeländer ist groß und reicht von einfachen Stücken bis hin zu komplexen Bauwerken. Die meisten Teile können sowohl für neue als auch für bereits existierende Geländer verwendet werden. Einige der häufig verwendeten Bauteile sind:

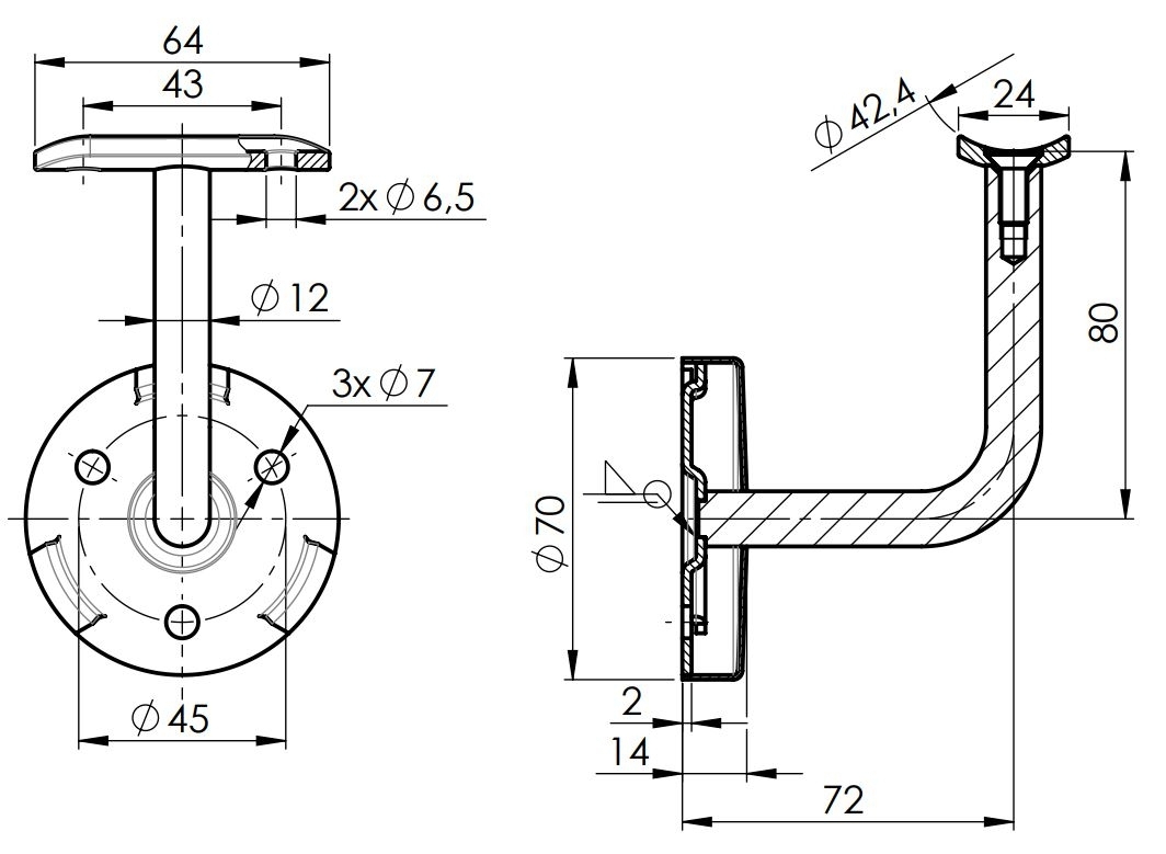
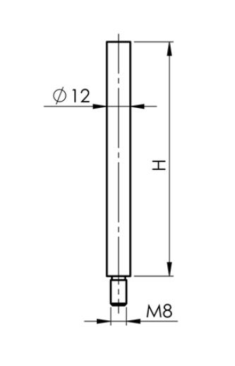
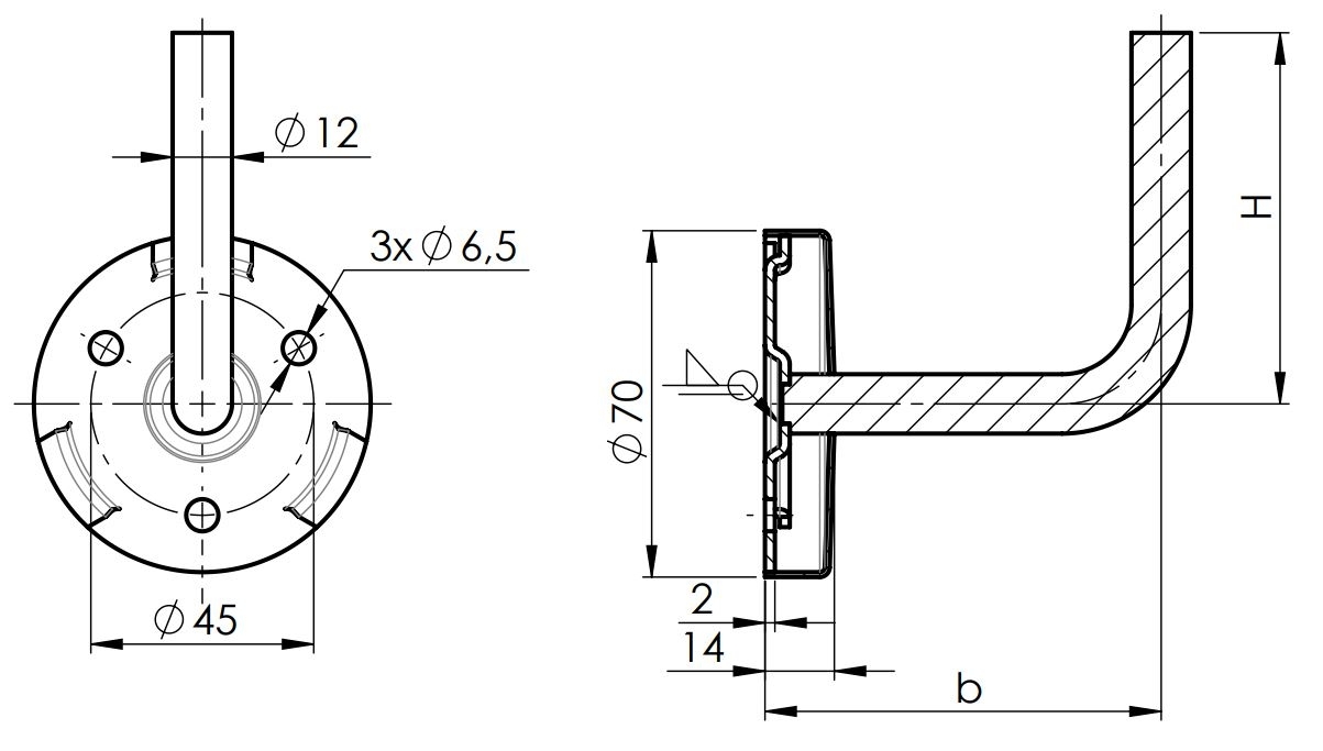
Querstabhalter sind eine wichtige Komponente bei der Montage von Edelstahlgeländern. Sie dienen als Verbindungsstück zwischen den einzelnen Rohren des Geländers und stellen sicher, dass es stabil bleibt. Querstabhalter gibt es in verschiedenen Größen und Design, je nach dem gewünschten Ergebnis. Einige Modelle können auch verstellt werden, um dem Geländer mehr Flexibilität zu geben.

Rohrstopfen werden in Verbindung mit Querstabhaltern verwendet, um das Edelstahlgeländer zu vervollständigen. Diese Stopfen werden an den Enden der Rohre angebracht, um eventuelles Wasser abzuleiten und die Stabilität des Geländers zu erhöhen. Sie sind in verschiedenen Größen und Materialien erhältlich, um ein optimales Ergebnis zu erzielen.

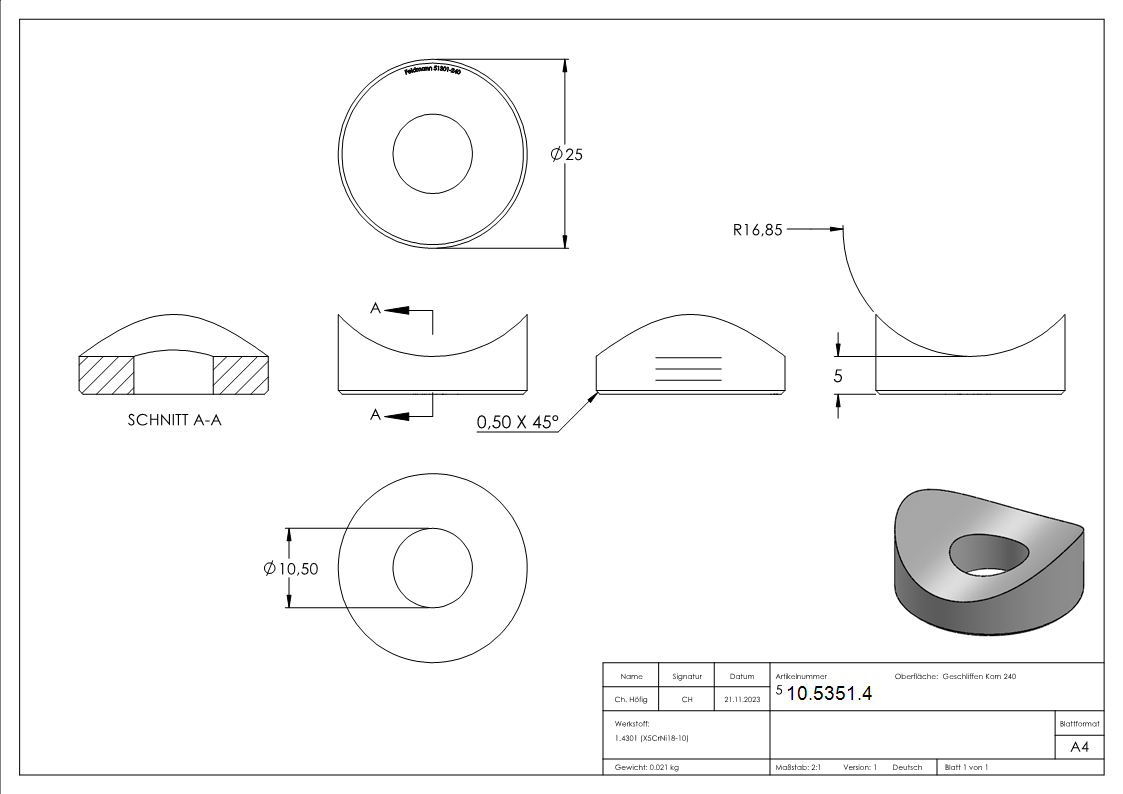
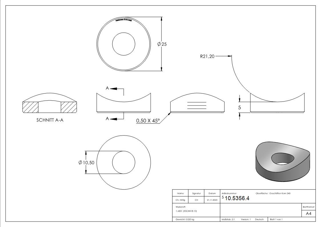
Ronden und Klöpperböden sind ebenfalls wichtig für die Montage von Edelstahlgeländern. Ronden werden an den Seitenteilen des Geländers befestigt, wodurch es gestrafft und stabilisiert wird. Klöpperböden kommen am Boden oder oberen Teil des Geländers zum Einsatz und helfen dabei, die Struktur aufrechtzuerhalten und das Geländer vor Abnutzung zu schützen.

Schweißfittinge sind speziell für Edelstahlgeländer entwickelt worden, um sicherzustellen, dass jedes Verbundteil perfekt passt und eine langlebige Verbindung hergestellt wird. Diese Fittinge befinden sich sowohl an der Vorder- als auch an der Rückseite des Geländers und verbinden die Rohre miteinander.

Steckverbindungen sorgen dafür, dass alle Bauteile des Edelstahlgeländers miteinander verbunden werden können. Sie bestehen meistens aus Metall oder Kunststoff und helfen den Nutzerinnnen und Nutzern beim Zusammenbau des Geländers.

Stifte oder Bügel sind hilfreiche Komponente, die es ermöglichen kleinere Teile des Geländers zusammenzuhalten oder zu fixieren. Sie bestehen meistens aus Metall oder Kunststoff und sind sehr robust gefertigt, so dass man sie problemlos montieren kann ohne Angst vor Beschädigung haben zu müssen.

Wandanker oder Bodananker findet man hinter Gittern vom Edelstahlgeländern oft als Option vorhandem. Diese Anker helfen dem Nutzerinnnen und Nutzer den Gitter fest an der Wand oder am Boden zu befestigen - somit ist es nicht nur schön anzusehen, sondern auch extrem stabil! Querstabhalter sind eine wichtige Komponente bei der Montage von Edelstahlgeländern. Sie dienen als Verbindungsstück zwischen den einzelnen Rohren des Geländers und stellen sicher, dass es stabil bleibt. Querstabhalter gibt es in verschiedenen Größen und Design, je nach dem gewünschten Ergebnis. Einige Modelle können auch verstellt werden, um dem Geländer mehr Flexibilität zu geben.

Rohrstopfen werden in Verbindung mit Querstabhaltern verwendet, um das Edelstahlgeländer zu vervollständigen. Diese Stopfen werden an den Enden der Rohre angebracht, um eventuelles Wasser abzuleiten und die Stabilität des Geländers zu erhöhen. Sie sind in verschiedenen Größen und Materialien erhältlich, um ein optimales Ergebnis zu erzielen.

Ronden und Klöpperböden sind ebenfalls wichtig für die Montage von Edelstahlgeländern. Ronden werden an den Seitenteilen des Geländers befestigt, wodurch es gestrafft und stabilisiert wird. Klöpperböden kommen am Boden oder oberen Teil des Geländers zum Einsatz und helfen dabei, die Struktur aufrechtzuerhalten und das Geländer vor Abnutzung zu schützen.

Schweißfittinge sind speziell für Edelstahlgeländer entwickelt worden, um sicherzustellen, dass jedes Verbundteil perfekt passt und eine langlebige Verbindung hergestellt wird. Diese Fittinge befinden sich sowohl an der Vorder- als auch an der Rückseite des Geländers und verbinden die Rohre miteinander.

Steckverbindungen sorgen dafür, dass alle Bauteile des Edelstahlgeländers miteinander verbunden werden können. Sie bestehen meistens aus Metall oder Kunststoff und helfen den Nutzerinnnen und Nutzern beim Zusammenbau des Geländers.

Stifte oder Bügel sind hilfreiche Komponente, die es ermöglichen kleinere Teile des Geländers zusammenzuhalten oder zu fixieren. Sie bestehen meistens aus Metall oder Kunststoff und sind sehr robust gefertigt, so dass man sie problemlos montieren kann ohne Angst vor Beschädigung haben zu müssen.

Wandanker oder Bodananker findet man hinter Gittern vom Edelstahlgeländern oft als Option vorhandem. Diese Anker helfen dem Nutzerinnnen und Nutzer den Gitter fest an der Wand oder am Boden zu befestigen - somit ist es nicht nur schön anzusehen, sondern auch extrem stabil!

Warum ist die Verwendung von Edelstahl für den Bau von Geländern wie z.b Treppen-Geländern oder Balkon-Geländern so vorteilhaft?

Edelstahlgeländer sind eine bezaubernde Ergänzung zu jedem Gebäude. Sie sind robust und langlebig, und können in verschiedenen Stilen gestaltet werden. Um ein Edelstahlgeländer zu bauen, müssen Sie die richtigen Bauteile kaufen. Die Auswahl an Teilen ist vielfältig und es gibt unterschiedliche Arten, die für verschiedene Anwendungsbereiche geeignet sind. In diesem Blog-Artikel erklären wir Ihnen die verschiedenen Arten von Bauteilen für Edelstahlgeländer und wie man sie am besten einsetzen kann. Der erste Schritt beim Kauf von Geländerbauteilen aus Edelstahl ist die Wahl des richtigen Profils. Es gibt viele verschiedene Profile - von geraden Linien bis hin zu komplexeren Mustern - so dass Sie das perfekte Profil für Ihr Geländer wählen können. Wenn Sie es einfach mögen, können Sie ein gerades Profil wählen, aber wenn Sie etwas aufwendiger gestalten möchten, haben Sie die Möglichkeit, in verschiedene geometrische Formen zu investieren. Einige Unternehmen bieten auch maßgeschneiderte Profile an, mit denen Sie Ihr Geländer noch individueller gestalten können. Nachdem Sie sich für das richtige Profil entschieden haben, müssen Sie überlegen, welche Art von Wandhalterung oder Befestigungsmaterialien benötigt werden. Es gibt unterschiedliche Artikel zur Befestigung des Geländers an der Wand oder Decke sowie spezielle Halterungsartikel, um verschiedene Designelemente hinzuzufügen. Diese Artikel sind in der Regel aus Edelstahl gefertigt und passen somit ideal zum Rest des Geländersystems. Eine weitere Option sind Handlaufelemente aus Edelstahl. Diese Elemente bieten einen ergonomischen Halt für Menschen mit schwachen Händen oder schlechteren Gleichgewichtssinn und helfen dabei, Unfällen vorzubeugen. Handlaufelemente aus Edelstahl gibt es in vielerlei Ausführung: von geraden Linien bis hin zu geschnitzten oder geschnitzten Mustern, sodass jeder das perfekte Design findet, um seinem Geländer den letzten Schliff zu verpassen! Zuletzt sollten Sie überprüfen, ob Ihr Geländersystem Korrosionsschutzmaßnahmen benötigt. Da Edelstahl bekanntlich rosten kann, ist es ratsam, Farbe oder spezielles Rostschutzmittel anzuwenden, um die Lebensdauer des Produkts zu verlängern. Dieser Schutz schützt nicht nur das Produkt vor dem Verblassen der Farbe oder dem Abblättern der Oberfläche; er schützt auch vor Korrosion und verhindert somit Schimmelbildung und andere Probleme in feuchter Umgebung. Wenn Sie alle obigen Schritte befolgt haben und Ihr neues Edelstahlgeländer bereit ist zum Einbau ist es Zeit für den letzten Schliff - das Zusammenbauen aller Teile!

<3>3. Welche unterschiedlichen Bauteile gibt es beim Geländerbau mit Edelstahl und welche Funktion haben sie?

Wenn Sie sich für den Bau eines Edelstahlgeländers interessieren, sollten Sie sich zunächst mit den verschiedenen Arten von Geländerbauteilen auseinandersetzen. Diese Bauteile können in verschiedenen Größen und Ausführungen erhältlich sein und haben jeweils ihre eigenen Vor- und Nachteile. Bevor Sie sich für ein bestimmtes Bauteil entscheiden, sollten Sie daher sorgfältig abwägen, welches am besten für Ihr Projekt geeignet ist. Die häufigsten Arten von Geländerbauteilen sind: 1. Rohre: Rohre sind die am häufigsten verwendeten Bauteile für Edelstahlgeländer. Sie können in verschiedenen Größen und Stärken erhältlich sein und sind relativ einfach zu montieren. Rohre eignen sich jedoch nicht immer für jeden Zweck – wenn Sie beispielsweise ein sehr schweres Geländer bauen möchten, sollten Sie stattdessen andere Arten von Bauteilen wie Stützen oder Streben verwenden. 2. Stützen: Stützen sind starke, vertikale Säulen, die dazu dienen, das Gewicht eines Geländers zu tragen. Da Stützen sehr stabil sein müssen, sind sie normalerweise aus massivem Edelstahl gefertigt und daher relativ teuer. Allerdings bieten sie eine hervorragende Stabilität und können bei Bedarf leicht angepasst werden. 3. Streben: Streben sind lange, horizontale Träger, die zur Unterstützung von Geländern verwendet werden. Im Gegensatz zu Rohren können Streben leicht angepasst und in verschiedenen Längen erhältlich sein, was sie ideal für komplexere Geländer-designs macht. Streben müssen jedoch ausgewogen werden, damit das Geländer nicht instabil wird. 4. Schrauben: Schrauben sind kleine Metallteile, die zur Befestigung von Bauteilen aneinander oder an der Wand verwendet werden. Schrauben gibt es in verschiedenen Größen und Ausführungen, je nachdem, welche Art von Materialien Sie verwenden möchten. Zum Beispiel gibt es spezielle Schrauben für Edelstahlgeländer, die eine höhere Festigkeit aufweisen als normale Holzschrauben. 5. Muttern: Muttern sind Metallringe, die auf Schrauben aufgesetzt werden, um diese festzuziehen oder zu lösen. Muttern gibt es in verschiedenen Größen und Ausführung

  • Treppengeländer: Ein Treppengeländer ist ein Geländer, das entlang einer Treppe installiert wird, um die Sicherheit und den Halt zu erhöhen. Es kann aus verschiedenen Materialien hergestellt werden, darunter auch Edelstahl. Edelstahl-Treppengeländer sind besonders langlebig und pflegeleicht und eignen sich sowohl für Innen- als auch für Außenanwendungen.
  • Balkongeländer: Ein Balkongeländer ist ein Geländer, das entlang eines Balkons installiert wird, um die Sicherheit zu erhöhen. Wie bei Treppengeländern, können Balkongeländer aus verschiedenen Materialien hergestellt werden, darunter auch Edelstahl. Edelstahl-Balkongeländer sind ebenfalls besonders langlebig und pflegeleicht und eignen sich sowohl für Innen- als auch für Außenanwendungen.
  • Geländer für öffentliche Plätze : Diese Geländer sind speziell für die Verwendung in öffentlichen Bereichen wie Parks, Straßen, Plätzen und Gebäuden konzipiert. Sie sind in der Regel robust und langlebig genug, um einer Vielzahl von Umweltbedingungen standzuhalten und gleichzeitig die Sicherheit der Öffentlichkeit zu gewährleisten. Edelstahl ist ein populäres Material für Geländer in öffentlichen Plätzen, weil es resistent gegenüber Rost und Korrosion ist und leicht zu reinigen ist.
  • Edelstahl Geländer für privaten Gebrauch: Hierbei handelt es sich um Geländer, die in privaten Wohnbereichen wie Terrassen, Gärten und Balkonen installiert werden. Sie können in verschiedenen Stilen und Designs angeboten werden und bieten in erster Linie Sicherheit. Sie sind meistens aus Edelstahl gefertigt, weil das Material robust, langlebig und pflegeleicht ist.

4. Wichtige Tipps zur Installation von Bauteilen aus Edelstahl

Edelstahl ist eine hervorragende Wahl für Geländerbau. Es ist stark und langlebig sowie widerstandsfähig gegen Abnutzung und Korrosion. Deshalb eignet es sich perfekt für den Einsatz in öffentlichen Gebäuden, wo es ständigem Gebrauch ausgesetzt ist. Edelstahlgeländer sind leicht zu installieren und einfach zu reparieren, sollten sie doch einmal beschädigt werden.

5. So pflegen Sie Ihre Bauteile aus Edelstahl, damit sie lange halten

Ob im Büro oder in der Wohnung, Edelstahlgeländer sehen überall gut aus und sind leicht zu pflegen. Sie müssen lediglich regelmäßig gereinigt werden, um Ablagerungen zu entfernen. Um die Oberfläche vor Korrosion zu schützen, empfiehlt es sich außerdem, ein Pflegemittel aufzutragen. Es ist wichtig, dass Sie die richtige Pflege für Ihr Edelstahl-Geländer wählen. Die Korrekte Pflege von Edelstahl bei Geländern hängt von vielen Faktoren ab, wie dem Einsatzort, der Umgebung und dem Zweck des Geländers. Es gibt jedoch einige allgemeine Richtlinien, die Sie beachten sollten.

Zunächst sollten Sie sicherstellen, dass das Geländer frei von Schmutz und Verschmutzungen ist. Dies kann mit einem feuchten Tuch erreicht werden. Wenn das Geländer hartnäckig verschmutzt ist, können milde Reinigungsmittel verwendet werden. Achten Sie jedoch auf die empfohlenen FeNau der Hersteller, bevor Sie mit der Reinigung beginnen.

Nachdem das Geländer sauber ist, können Sie mit der korrekten Pflege von Edelstahl bei Geländern fortfahren. Die meisten Hersteller empfehlen, dass Sie ihr Edelstahl-Geländer jeden Monat mit einem Spezialreiniger behandeln sollten. Diese Reiniger entfernen Schmutz und Verschmutzungen effektiver als herkömmliche Reinigungsmittel. Achten Sie jedoch auf die Empfehlungen von FeNau GmbH als der Hersteller, bevor Sie mit der Pflege beginnen.

6. Fazit: Warum der Bau eines Geländers mit Teilen aus Edelstahl eine gute Entscheidung ist

Edelstahlgeländer sind eine großartige Ergänzung zu jedem Zuhause, da sie nicht nur elegant aussehen, sondern auch langlebig und pflegeleicht sind. Allerdings müssen Sie bei der Pflege Ihrer Edelstahlgeländer einige Dinge beachten, um sicherzustellen, dass sie in Top-Zustand bleiben.

Zunächst sollten Sie vermeiden, scharfe oder abrasive Reinigungsmittel zu verwenden, da diese den Edelstahl beschädigen können. Stattdessen können Sie einfach warmes Wasser und ein mildes Reinigungsmittel verwenden. Wenn Sie hartnäckige Flecken entfernen müssen, können Sie etwas Essig oder Zitronensaft verwenden. Verwenden Sie nie Metallbürsten oder Scheuermittel, um Ihr Edelstahlgeländer zu reinigen, da dies die Oberfläche beschädigen kann.

Nach der Reinigung sollten Sie das Geländer immer mit einem weichen Tuch trocknen, um Schlieren und Flecken zu vermeiden. Wenn Ihr Edelstahlgeländer regelmäßig exponiert wird, kann es ratsam sein, es mit einem polierbaren Wachs zu behandeln, um es vor Kratzern und anderen Schäden zu schützen. Mit etwas Sorgfalt und Pflege können Sie Ihr Edelstahlgeländer Jahr für Jahr in optimalem Zustand halten.

Zur Startseite gehen

info@fenau.eu

0911/97917230

Mo - Do: 8:00 - 16:00Uhr

Freitag: 8:00 - 14:00Uhr

Sonderanfertigung / Download
  • FeNau Gitterrostkonfigurator
  • Fertigungstoleranzen Gitterroste
  • FeNau Zuschnittservice
  • FeNau Rohrbiegeservice
  • Rohrverbinder Übersicht
  • Rohrverbinder Handbuch
  • Leuchtreklame Konfigurator
Informationen
  • Kundenservice
  • Aktuelle Stellenangebote
  • Zahlungsbedingungen
  • Versandbedingungen
  • Impressum
  • Unsere AGB
  • Privatsphäre und Datenschutz
  • Verpackunsordnung
  • Widerrufsrecht für Verbraucher
  • Widerrufsformular
  • Retouren und Reklamationen B2B
  • Code Of Conduct FeNau GmbH
  • Gitterroststufen
FeNau News
  • Hausumrandungen mit Gitterrosten von FeNau – Weil rund ums Haus jedes Detail zahlt 2025-05-29
  • Flacheisen gehämmert 2025-02-03
  • Lichtschachtrost: Die Lösung für Ihre Sicherheitsbedürfnisse - Finden Sie heraus, wie einfach und effektiv er ist! 2024-02-16
  • Wie Sie mit Rohrverbindern aus Temperguss Zeit, Geld und Nerven sparen – Expertentipps für eine stressfreie Installation 2024-01-24
  • DIN EN 1090 im Metallbau - Was ist hierin beinhaltet und um was geht es eigentlich ? 2023-02-09
Mehr Informationen
Vorkasse
Bancontact
BLIK
iDEAL
Rechnung FeNau GmbH
PayPal
eps
Paketversand
Speditionsversand
Paketversand Sperrgut
Diese Website verwendet Cookies, um eine bestmögliche Erfahrung bieten zu können. Mehr Informationen ...